產品名稱:
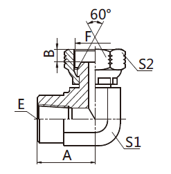
布錐管內螺紋/美制NPSM內螺紋 90°彎接頭
產品系列搜索
請選擇您想要尋找的相關產品系列
產品描述

| 訂貨號 | 螺 紋 | 尺 寸 | |||||||||||
| E | F | A | B | S1 | S2 | ||||||||
| GNU-04S/9 | Z1/4"X18 | 1/4"X18 | 22.5 | 4.6 | 19 | 19 | |||||||
| GNU-06S/9 | Z3/8"X18 | 3/8"X18 | 25 | 6 | 24 | 22 | |||||||
| GNU-08S/9 | Z1/2"X14 | 1/2"X14 | 31.2 | 7.5 | 30 | 27 | |||||||
| GNU-12S/9 | Z3/4"X14 | 3/4"X14 | 34.5 | 8.9 | 33 | 32 | |||||||
| GNU-16S/9 | Z1"X11.5 | 1"X11.5 | 41 | 10.5 | 41 | 41 | |||||||
| GNU-20S/9 | Z1.1/4"X11.5 | 1.1/4"X11.5 | 43.2 | 11.2 | 50 | 50 | |||||||